




Fusion 360によるエレキギター設計コース
説明
デジタルでプロフェッショナルなエレキギターやベースをゼロからデザインしましょう。この3日間のコースでは、Fusion 360で2Dと3Dの完全なモデルを作成し、CNCやプロトタイピングに対応できるようにします。プロポーション、バランス、ハードウェアのレイアウト、製作上の制約など、ルーティング、治具デザイン、製造ロジックなど、ルシアーの指導と実践的なヒントが満載です。
編集可能なCADファイルと、あなたのアイデアを実現するための設計図をお持ち帰りいただけます。
必要条件Fusion 360(無料パーソナルライセンス)がインストールされたノートパソコン、マウス、一般的なパソコン操作能力。

Fusion 360によるエレキギター設計コース
ご不明な点がございましたら、お気軽にお問い合わせください。平日24時間以内にできる限り迅速にご返信いたします。
-
配送情報
このテキストを使用して、お客様からの質問にできる限り詳細にお答えください。
-
カスタマーサポート
このテキストを使用して、お客様からの質問にできる限り詳細にお答えください。
-
よくある質問
このテキストを使用して、お客様からの質問にできる限り詳細にお答えください。
-
お問い合わせ
このテキストを使用して、お客様からの質問にできる限り詳細にお答えください。
ベルフォルティ・ルーテリー・スクールに参加する
Fusion 360による3日間の楽器設計
この3日間のワークショップでは、業界標準のFusion 360 CADプラットフォームを使用し、エレキギターとベースの設計の基礎を深く掘り下げていきます。いつか自分の楽器を作ってみたいという方も、プロトタイピングのスキルを磨きたい方も、このコースでは演奏可能で製造可能な楽器をゼロからデジタルモデリングする方法を学びます。
わずか3日間で、きれいなパラメトリック・ジオメトリー、エクスポート可能なファイル、ワークショップですぐに使えるディテールを備えた、実物大の2Dおよび3Dのギターまたはベース・モデルをデザインします。マンツーマンのきめ細かなサポートで、人間工学、機械工学、そして現代の楽器デザインにおける実践的なルールを学ぶことができます。楽器製作の経験は問いませんが、コンピュータの操作は必須です。

デザイン原理と人間工学
スケール長、ブリッジの配置、ネックの角度、ボディの質量、そして演奏姿勢。人間工学に基づいたガイドを使ってボディのアウトラインをスケッチし、弦経路を定義し、実際のパーツを中心にハードウェアのレイアウトを決める方法を学びます。これは抽象的なコンセプトワークではなく、アイデアを現実にするための地に足のついた技術的なアプローチです。

スケッチから3Dアセンブリまで
次に、スケッチを現実的な3Dパーツ(ボディ、ネック、指板)に押し出し、適切な位置合わせと接合方法を学びます。ネックポケットのフィッティング、トラスロッドキャビティの配置、コントロールキャビティ、パーツの視認性の切り替えなどを学びます。セッションの最後には、あなたの楽器は、取り付け穴、パーツの深さ、印刷可能なビューを備えた完全な3Dモデルとして存在するようになります。

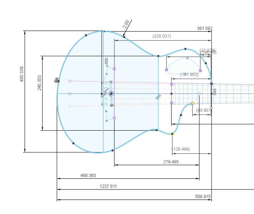
Fusion 360ワークフローと2Dスケッチ
プロポーションが整ったら、Fusion 360のデザイン環境に移ります。ボディとネックの2Dパラメトリックスケッチを作成し、重要な寸法を定義し、カットパスとテンプレート用のクリーンなジオメトリを生成します。制約、ミラーリング、ユーザー・パラメーター、モジュラー・デザイン・ブロックなどの主要なツールを、ルシアーのワークフローとCNC/CAMロジックに合わせてご紹介します。

製造ロジックと輸出
ルーティング・テンプレート、1:1のPDFエクスポート、CNCやレーザーカッティング用のSTLとDXF、モデルをワークショップで使いやすいアセットに分割する方法などです。また、公差のミスやジオメトリの欠陥など、製作に失敗する原因となる一般的なミスや、製作可能かどうかのモデルのチェック方法についても触れます。

何を学ぶか
コースを通じて、以下のようなプロレベルのテクニックを身につけることができる:
- Fusion 360でゼロからインストゥルメントを設計
- プロポーション、シルエット、視覚的ヒエラルキー
- 人間工学的配慮(重量、バランス、アクセス)
- 現代の電気楽器の構造
- リュートのためのCAD入門(Fusion 360の概要)
- アイデアを使えるデザインに変換する
- テンプレートデザイン
あなたが得るもの
- エレクトリック・ギターまたはベースの完全な2Dおよび3Dデザイン(Fusion 360ファイル)
- 正確なジオメトリ、レイアウト、穴あけポイントを含む設計図
- ルーティングやレーザーカッティングのための生産準備完了のエクスポート(DXF、PDF、STLまたはSVG
- ネックスケール、ブリッジアライメント、弦間隔、人間工学を理解する。
- Fusion 360プロジェクトのワークフロー、スケッチ規律、きれいなパラメトリック習慣
- 精密なプロトタイピングや製造を開始する自信
日替わりプログラム
1日目
- エレキギターとベースのデザイン言語の概要
- プロポーション、シルエット分析、体重配分
- 現代楽器の解剖学(機能的制約と審美的制約)
- 象徴的なモデルの研究:何がうまくいき、何がうまくいかないのか、その理由
- スケッチの基本:線の質、ジェスチャー、基準点
- 実践セッション:基本的なボディ・テンプレートを描く
2日目
- 選手の相互作用:バランス、輪郭、アクセス、前腕と腹のカット
- ネック形状(ナット幅、厚さ、ラジアス、プロファイル)
- スケールの長さとその意味(ブリッジの位置、テンション、ピックアップの間隔)
- ブリッジ、ハードウェア、コントロールレイアウトのマッピング
- 実践セッション:スケッチをプロポーションの正確なテンプレートに仕上げる
- CAD(Fusion 360)入門:インターフェース、スケッチワークスペース、制約条件
3日目
- 手描き図面をCADスケッチに変換(ステップバイステップで指導)
- クリーンな2Dデジタルテンプレートの作成
- CNCの制約と製造上の考慮事項を理解する
- 素材選択の原則:重量、加工性、美観
- 最終プロジェクト:各受講者は、まとまったデザイン・テンプレートを手にして帰ります。
- グループ・レビューとデザイン批評会(専門家によるフィードバック)
コース詳細
価格
700€
3Dプリントネックレストを提供
対象者
このコースは以下の方を対象としています:
- 楽器がどのように発想され、設計されているかを理解したい音楽家
- モダンデザインとCADの確かな基礎を求めるルシアー志望者
- アイデアを機能的な道具に変換することに関心のある工業デザイナーとクリエーター
- スケッチからきれいな生産可能ファイルへの移行を希望するビルダー
- 形状、人間工学、視覚的アイデンティティの実験を楽しむ愛好家
図面やCADの経験がなくても、好奇心、集中力、コンピュータの使いやすさがあれば大丈夫です。
所在地
Belforti Instruments Manufacture
グレーター・パリ地区
41bis rue des Mazurières - 92500 Rueil-Malmaison
休憩と昼食
- 毎日1時間の昼食休憩
- コーヒー/紅茶、水あり
- 昼食は持参するか、近くのカフェを利用する。
提供内容
- コースを通して1:1のコーチングとデザインレビュー
- サンプルファイルと人間工学に基づいたテンプレート
- 互換性のための標準的なブリッジとピックアップの寸法
- リューテリーに適応した完全なFusion 360ワークフロー
- PDFおよびDXFエクスポートのサポート
- ワークスペース、Wi-Fi、ライブデモが見られるプロジェクションスクリーン
- コーヒー、紅茶、軽食(日中
持ち物
ワークショップを最大限に活用するために、必ずご持参ください:
- Fusion 360がスムーズに動作するノートパソコン
- マウス(必須 - トラックパッドではCAD作業が遅すぎる)
- コース前にインストールし、アクティベートされたFusion 360フリーライセンス
- 基本的なパソコン操作レベル(アプリの操作、ショートカットの使用、ファイル管理)
その他の資料(参考文献、テンプレート、例)はすべてワークショップ中に提供される。
所要時間とグループ人数
- 3日(≒21時間)
- 綿密な監督のための参加者3~4名
集中的な実践形式
免責事項
このコースは楽器の設計に重点を置いており、製作は行いません。プロトタイピングや製作に適した完全なデジタルモデルをお持ち帰りいただけますが、ワークショップ中に物理的な楽器を製作することはありません。設計の品質と使いやすさは、プロセスに従い、Fusion 360できれいに作業し、現実的な製作パラメーターの範囲内に収まることができるかどうかにかかっています。型にはまらないコンセプトをお持ちの方には、それを改良するお手伝いをいたしますが、すべてのアイデアが実現可能な楽器や製作可能な楽器になるとは保証できません。
参加者はコンピュータの操作、ソフトウェアのインターフェイスの操作、マウスの使用に慣れている必要があります。これはテクニカル・デザイン・コースであり、基本的なデジタル・ツールの入門ではありません。
よくある質問
Fusion 360の経験は必要ですか?
CADの経験は問いませんが、コンピュータの操作に慣れていることが必要です。インターフェイスのナビゲーション(ズーム、ファイル操作、基本的な図面作成)の知識は、ペースを保つために不可欠です。
何を持っていけばいいですか?
無料のFusion 360 Personal Licenseがインストールされたノートパソコン、マウス(必須)、充電器をご持参ください。コースの前にセットアップチェックリストをお送りします。
私は本物の、製作可能なギターをデザインできるだろうか?
あなたのコンセプトがよほど実験的なものでない限り、製作可能な楽器のプランをお持ち帰りいただけます。標準的なジオメトリーで演奏可能なソリッドボディをデザインするのであれば、技術的に首尾一貫した、生産可能なものになるようお手伝いします。
何か変わったデザイン、人間工学に基づいたデザインはできないか?
はい-限界はありますが。あなたのコンセプトが限界を超えるものであれば、私たちは構造的な完全性と一貫性を維持するためにあなたと協力します。私たちは創造性を止めることはしませんが、大規模なエンジニアリングなしに構築できない形状を検証することもしません。
2つの楽器をデザインする時間があるだろうか?
高品質なモデルをゼロから1つ作るには3日もあれば十分です。スピードが速ければ、2つ目のレイアウトを反復したり複製したりすることもありますが、私たちは量よりも深さと精度に重点を置いています。
コース終了後、CNCやレーザーカットにファイルを使用できますか?
もちろんです。CNCルーター、レーザーカッター、手作業によるテンプレート製作に対応したファイル(DXF、STL、PDF)がエクスポートされ、プロトタイプや機械加工の準備が整います。



