




Fusion 360 电吉他设计课程
描述
从零开始,以数字化和专业的方式设计您自己的电吉他或贝斯。在这个为期 3 天的课程中,您将在 Fusion 360 中创建一个完整的 2D 和 3D 模型,为 CNC 或原型制作做好准备。您将探索比例、平衡、硬件布局和构建约束——所有这些都将在制琴师的指导下进行,并提供有关布线、夹具设计和制造逻辑的实用技巧。
您将获得一个完全可编辑的 CAD 文件和蓝图,将您的想法变为现实。
要求: 带有 Fusion 360(免费个人许可证)的笔记本电脑、鼠标和一般的计算机熟练程度。
如果您有任何问题,随时欢迎与我们联系。我们将在工作日尽快回复您,24小时内。
-
运输信息
使用此文本尽可能详细地回答客户的问题。
-
客户支持
使用此文本尽可能详细地回答客户的问题。
-
常见问题
使用此文本尽可能详细地回答客户的问题。
-
联系我们
使用此文本尽可能详细地回答客户的问题。
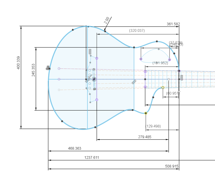
Fusion 360 中的 3 天乐器设计
这个为期 3 天的研讨会深入探讨了电吉他和贝斯结构的设计基础——使用行业标准的 Fusion 360 CAD 平台。无论您是梦想有一天建造自己的乐器,还是想提高您的原型制作技能,本课程都将教您如何从头开始以数字方式建模可演奏、可制造的乐器。
在短短三天内,您将设计一个完整的 2D 和 3D 吉他或贝斯模型,具有清晰的参数化几何体、可导出的文件和适合车间使用的细节。您将学习现代乐器设计背后的符合人体工程学、机械和实践规则——并在整个过程中获得密切的一对一支持。无需事先的制琴经验,但计算机操作能力至关重要。

设计原则与人体工程学
我们从可演奏、平衡的乐器的基本要素入手:弦长、琴桥位置、琴颈角度、琴身质量和演奏姿势。您将学习如何使用人体工程学指南勾勒出您的身体轮廓,定义您的琴弦路径,并将您的硬件布局围绕真实世界的部件进行中心化。这不是抽象的概念工作,而是一种将想法变为现实的扎实的技术方法。

从草图到 3D 装配
接下来,您将把您的草图拉伸成逼真的 3D 部件——琴身、琴颈、指板——并学习如何正确地对齐和连接它们。我们涵盖琴颈插槽的配合、琴颈钢筋槽的位置、控制腔以及部件可见性切换。在本课程结束时,您的乐器将作为一个完整的 3D 模型存在,包括安装孔、部件深度和可打印的视图。

Fusion 360 工作流程与 2D 草图
一旦您的比例正确,我们将进入 Fusion 360 的设计环境。您将构建琴身和琴颈的 2D 参数化草图,定义关键尺寸,并生成干净的几何图形,用于切割路径和模板。我们将介绍约束、镜像、用户参数和模块化设计块等关键工具——所有这些都是为制琴师的工作流程和 CNC/CAM 逻辑量身定制的。

制造逻辑与导出
在乐器完全建模后,我们将以实用的角度审视生产:布线模板、1:1 PDF 导出、用于 CNC 或激光切割的 STL 和 DXF,以及如何将您的模型分解为车间友好的资产。我们还将介绍导致构建失败的常见错误——例如错过的公差或有缺陷的几何图形——以及如何检查您的模型是否具有制造可行性。

您将学到什么
在整个课程中,您将掌握专业级别的技术,包括:
- 在 Fusion 360 上从头开始完成乐器设计
- 比例、轮廓和视觉层次
- 人体工程学考虑(重量、平衡、可达性)
- 现代电子乐器的剖析
- 制琴 CAD 简介(Fusion 360 概述)
- 将想法转化为可用的设计
- 模板设计
您将获得的成果
- 完整的 2D 和 3D 电吉他或贝斯设计 (Fusion 360 文件)
- 具有精确几何形状、布局和钻孔点的蓝图
- 可用于生产的导出文件(用于布线或激光切割的 DXF、PDF、STL 或 SVG)
- 了解琴颈音阶、琴桥对齐、琴弦间距和人体工程学
- Fusion 360 项目工作流程、草图规范和清晰的参数化习惯
- 有信心开始精确地进行原型设计或构建
每日计划
第一天
- 电吉他和贝斯设计语言概述
- 比例、轮廓分析、重量分布
- 现代乐器剖析(功能与美学约束)
- 经典型号研究:优点、缺点及原因
- 草图绘制基础:线条质量、姿态、参考点
- 实践环节:绘制基本琴体模板
第二天
- 演奏者互动:平衡、轮廓、可及性、前臂和腹部切削
- 琴颈几何形状(弦枕宽度、厚度、弧度、轮廓)
- 有效弦长及其影响(琴桥位置、张力、拾音器间距)
- 琴桥、硬件和控制布局映射
- 实践环节:将草图细化为比例精确的模板
- CAD 简介 (Fusion 360):界面、草图工作区、约束
第 3 天
- 将手绘图转换为 CAD 草图(逐步指导)
- 创建清晰的 2D 数字模板
- 了解 CNC 约束和制造注意事项
- 材料选择原则:重量、可加工性、美观性
- 最终项目:每位参与者都将获得一个连贯的设计模板
- 小组评审和设计评论会议(专业反馈)
课程详情
价格
700€
提供3D打印琴颈支架
适合人群
本课程专为以下人员设计:
- 想要了解乐器是如何构思和设计的音乐家
- 寻求现代设计和 CAD 方面坚实基础的有抱负的制琴师
- 有兴趣将想法转化为功能性乐器的工业设计师和创意人员
- 想要从草图过渡到清晰、可用于生产的文件的制作者
- 喜欢尝试形状、人体工程学和视觉识别的爱好者
无需任何绘图或 CAD 经验,只需好奇心、专注力以及熟练使用电脑即可。
地点
Belforti Instruments 工坊
巴黎大区
41bis rue des Mazurières - 92500 Rueil-Malmaison
休息和午餐
- 每日1小时午休
- 提供咖啡/茶和水
- 自带午餐或使用附近的咖啡馆
提供什么
- 整个课程中的 1:1 指导和设计审查
- 可供入门的示例文件和人体工程学模板
- 用于兼容性的标准琴桥和拾音器测量
- 适应制琴的完整 Fusion 360 工作流程
- PDF 和 DXF 导出支持
- 工作室、Wi-Fi和带实时演示视图的投影屏幕
- 全天供应咖啡、茶点和简餐
自带物品
为了充分利用本次研讨会,您必须携带:
- 能够流畅运行Fusion 360的笔记本电脑
- 鼠标(必需品——在触控板上进行CAD工作效率太低)
- 课程开始前安装并激活的Fusion 360免费许可证
- 基本的电脑操作水平(浏览应用程序、使用快捷方式、文件管理)
所有其他材料(参考资料、模板、示例)将在研讨会期间提供。
时长 & 团队规模
- 3天(约21小时)
- 3至4名参与者,以便进行密切指导
强化、实践操作形式
免责声明
本课程侧重于乐器的设计,而非制造。虽然您将获得一个完整的数字模型,适用于原型制作或建造,但在研讨会期间不会制作任何实物乐器。设计的质量和可用性将取决于您遵循流程、在Fusion 360中清晰工作以及保持在实际构建参数内的能力。如果您有非常规的概念,我们将帮助您完善它——但我们不能保证每个想法都会产生可行或可构建的乐器。
参与者必须能够熟练地使用计算机、浏览软件界面和使用鼠标。这是一门技术设计课程,而不是基本数字工具的入门课程。
常见问题解答
我需要有使用Fusion 360的经验吗?
不需要事先有CAD经验——但您必须熟练使用计算机。掌握界面导航(缩放、文件处理、基本绘图)的工作知识对于跟上进度至关重要。
我需要带什么?
请携带已安装免费Fusion 360个人许可证的笔记本电脑、鼠标(必需)和充电器。我们将在课程前发送设置清单。
我能设计出一个真实的、可建造的吉他吗?
是的——除非您的概念非常具有实验性,否则您将获得一个可建造的乐器计划。如果您正在设计一个具有标准几何形状的可演奏的实心琴体,我们将帮助确保它在技术上是连贯的并且可以投入生产。
我可以设计一些非常不寻常或符合人体工程学的东西吗?
是的——但有限制。如果您的概念突破了界限,我们将与您合作以保持结构完整性和连贯性。我们不会阻止创造力,但我们也不会验证在没有重大工程的情况下无法构建的形状。
我是否有时间设计两件乐器?
三天的时间足够从头开始构建一个高质量的模型。如果您速度很快,您可能会迭代或复制第二个布局,但我们更注重深度和精度,而不是数量。
课程结束后,我可以使用这些文件进行CNC或激光切割吗?
当然。您将获得导出的文件(DXF、STL、PDF),这些文件与CNC路由器、激光切割机或手动模板生产兼容——可以立即进行原型制作或加工。




